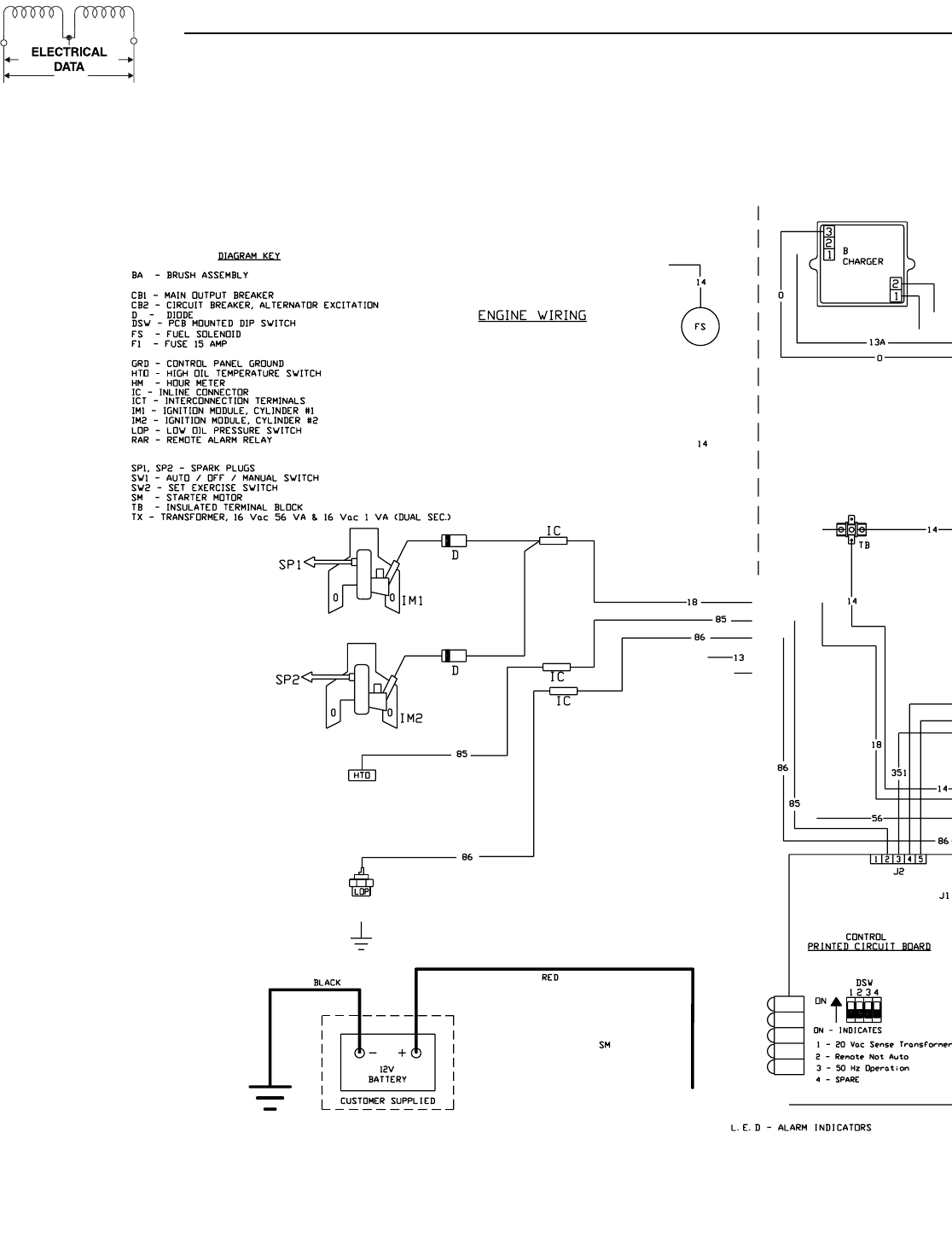
Generac Guardian 20kw Owner's Manual

Generac Guardian 22kw Owners Manual. Generac Guardian 22kw Parts Manual View and download Generac generator guardian manuals for free When contacting Generac Customer Service about parts and service, always supply the complete model and serial number of the unit as given on its data decal located on the unit

Generac Guardian 20kw Owner
Generac Guardian 20kw Owner's Manual from schematicrancune4i.z4.web.core.windows.net

16/20/22 kW features and benefits Engine Generac G-Force design Maximizes engine "breathing" for increased fuel efficiency When contacting Generac Customer Service about parts and service, always supply the complete model and serial number of the unit as given on its data decal located on the unit

Generac Guardian 20kw Owner's Manual

Generac generators · Generac Guardian 22KW manual Standby Generator, 22kW | WiFi Enabled | G0070420 | One of the most powerful air-cooled generators on the market today, the Guardian® Series 22 kW automatic home standby generator can provide whole-house backup power for many homes. Generac Power Systems 22 kW Owner's Manual (60 pages) Spark-Ignited Stationary Emergency Generators

Generac Guardian 22kw Installation Manual. Also for: 30 kw, 32 kw, 36 kw, 38 kw, 25 kw, 45 kw, 27 kw, 48 kw, 60 kw. Click this link to access the product lookup page on Generac.com.See the Where Can I Find the Serial Number on My Air or Liquid-Cooled Standby Generator? article for instructions to find a generator's serial number.

Generac Guardian 20kw Owner's Manual. Note: See this article to locate user manuals for portable units: I Can't Find My Original Owner's Manual for My Portable Generator, How Can I Get. GUARDIAN® SERIES Residential Standby Generators Air-Cooled Gas Engine 16/20/22 kW Standby Power Rating Models G007036-0, G007037-0 (Aluminum - Bisque) - 16 kW 60 Hz